シャント(分流器)とは、
電流の測定で、一般に抵抗に電流を流し、その電圧降下を測定する際に用いられる抵抗です。
また、高精度の測定を行う時も電流を電圧に変換して測定する時の抵抗としても使用します。
分流器TSシリーズを一新しました
電圧降下:50mV、確度:0.2%/0.1%、電流値:0.5A~10000Aをラインナップしました。
【電圧降下:50mV (TS25/TS15シリーズ)】
※TS25の形名をクリックして頂きますと外形図がご覧いただけます。TS25とTS15は同じ形状です。
←こちらをクリックしご確認下さい。よくある質問はこちらよくあるご質問(FAQ)
| 電流値(A) | 形名 | 納期情報 | 形名 | 納期情報 | 質量 | Y社 型番 (参考) |
形状 | ||||
| 確度:0.1% | 確度:0.2% | ||||||||||
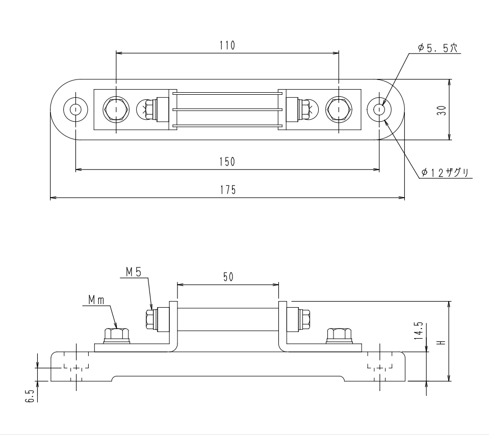
| 0.5 | TS15-0.5 | △ | TS25-0.5 | △ | 約140g | – | ![]() 台座高さ:14.5mm 固定用ザグリ深さ:8mm 底面からの固定位置:6.5mm |
||||
| 1 | TS15-1 | 〇 | TS25-1 | ◎ | 221501 | ||||||
| 1.5 | TS15-1.5 | △ | TS25-1.5 | △ | 221502 | ||||||
| 2 | TS15-2 | 〇 | TS25-2 | ◎ | 221503 | ||||||
| 2.5 | TS15-2.5 | △ | TS25-2.5 | △ | – | ||||||
| 3 | TS15-3 | △ | TS25-3 | △ | 221504 | ||||||
| 4 | TS15-4 | △ | TS25-4 | △ | – | ||||||
| 5 | TS15-5 | 〇 | TS25-5 | ◎ | 221505 | ||||||
| 6 | TS15-6 | △ | TS25-6 | △ | – | ||||||
| 7 | TS15-7 | △ | TS25-7 | △ | – | ||||||
| 7.5 | TS15-7.5 | △ | TS25-7.5 | △ | 221506 | ||||||
| Mm | H | 質量 | ![]() 台座高さ:14.5mm 固定用ザグリ深さ:8mm 底面からの固定位置:6.5mm |
||||||||
| 10 | TS15-10 | 〇 | TS25-10 | ◎ | M6 | 39.5 | 約170g | 221507 | |||
| 15 | TS15-15 | 〇 | TS25-15 | ◎ | M6 | 39.5 | 221508 | ||||
| 20 | TS15-20 | 〇 | TS25-20 | ◎ | M6 | 39.5 | 221509 | ||||
| 25 | TS15-25 | △ | TS25-25 | △ | M6 | 39.5 | – | ||||
| 30 | TS15-30 | 〇 | TS25-30 | ◎ | M6 | 39.5 | 221510 | ||||
| 40 | TS15-40 | △ | TS25-40 | △ | M6 | 39.5 | – | ||||
| 50 | TS15-50 | 〇 | TS25-50 | ◎ | M6 | 39.5 | 221511 | ||||
| 60 | TS15-60 | △ | TS25-60 | △ | M6 | 39.5 | – | ||||
| 75 | TS15-75 | 〇 | TS25-75 | ◎ | M6 | 39.5 | 221512 | ||||
| 100 | TS15-100 | 〇 | TS25-100 | ◎ | M8 | 39.5 | 約200g | 221513 | |||
| 150 | TS15-150 | 〇 | TS25-150 | ◎ | M8 | 54.5 | 約300g | 221514 | |||
| 200 | TS15-200 | 〇 | TS25-200 | ◎ | M8 | 54.5 | 221515 | ||||
| 250 | TS15-250 | △ | TS25-250 | △ | M8 | 54.5 | – | ||||
| 300 | TS15-300 | 〇 | TS25-300 | ◎ | M8 | 54.5 | 221516 | ||||
| W | A | P | H | 質量 | ![]() |
||||||
| 350 | TS15-350 | △ | TS25-350 | △ | 50 | 230 | 130 | 50 | 約1.1kg | – | |
| 400 | TS15-400 | △ | TS25-400 | △ | 50 | 230 | 130 | 50 | – | ||
| 450 | TS15-450 | △ | TS25-450 | △ | 50 | 230 | 130 | 50 | – | ||
| 500 | TS15-500 | 〇 | TS25-500 | ◎ | 50 | 230 | 130 | 50 | 221601 | ||
| 600 | TS15-600 | △ | TS25-600 | △ | 60 | 230 | 130 | 64 | 約1.3kg | – | |
| 750 | TS15-750 | 〇 | TS25-750 | ◎ | 60 | 230 | 130 | 64 | 約1.4kg | 221602 | |
| 1000 | TS15-1000 | 〇 | TS25-1000 | ◎ | 84 | 270 | 170 | 64 | 約2.0kg | 221603 | |
| W | Q | H | D | 質量 | ![]() |
||||||
| 1500 | TS15-1500 | 〇 | TS25-1500 | ◎ | 92 | – | 74 | 12 | 約3.7kg | 221701 | |
| 2000 | TS15-2000 | 〇 | TS25-2000 | ◎ | 110 | 50 | 81 | 12 | 約4.8kg | 221702 | |
| 2500 | TS15-2500 | ◇ | TS25-2500 | ◇ | 120 | 70 | 117 | 20 | 約7.8kg | – | |
| 3000 | TS15-3000 | 〇 | TS25-3000 | ◎ | 120 | 70 | 117 | 20 | 221703 | ||
| H | 質量 | ![]() |
|||||||||
| 4000 | TS15-4000 | ◇ | TS25-4000 | ◇ | 110 | 約27kg | – | ||||
| 5000 | TS15-5000 | 〇 | TS25-5000 | ◎ | 110 | 221704 | |||||
| W | A | P | Q | S | 質量 | ![]() |
|||||
| 6000 | TS15-6000 | ◇ | TS25-6000 | ◇ | 320 | 800 | 640 | 68 | 146 | 約48kg | |
| 7000 | TS15-7000 | ◇ | TS25-7000 | ◇ | 320 | 800 | 640 | 68 | 146 | ||
| 7500 | TS15-7500 | ◇ | TS25-7500 | ◇ | 400 | 900 | 740 | 108 | 156 | 約73kg | |
| 8000 | TS15-8000 | ◇ | TS25-8000 | ◇ | 400 | 900 | 740 | 108 | 156 | ||
| 9000 | TS15-9000 | ◇ | TS25-9000 | ◇ | 400 | 900 | 740 | 108 | 156 | ||
| 10000 | TS15-10000 | ◇ | TS25-10000 | ◇ | 400 | 900 | 740 | 108 | 156 | ||
【台座の取り付け寸法】
TS25シリーズ(TS15、TS16、TS26各シリーズ共通)の0.5A~300Aの台座付シャントの台座取付寸法は、
台座高さ:14.5mm、固定用ザグリ深さ8mm、底面からの固定位置:6.5mmです。
【黄銅系ねじ(ボルト・ナット)の標準締め付けトルク(参考値)】
| ネジサイズ | M3 | M4 | M5 | M6 | M8 | M10 | M12 |
| 締付トルク(N・m) | 0.317 | 0.738 | 1.49 | 2.53 | 6.15 | 12.2 | 21.2 |
【分流器の温度特性】
弊社製品の抵抗材料は、JIS C2522-1999に「電気抵抗用銅マンガン線、棒及び板」で規定されているA級材料
を使用しています。
A級材料の温度特性については、【技術情報「シャントの温度特性」】 ←こちらを参照してください。
その他の製品
【電圧降下:60mV/100mV品】
| 電圧降下 | 形名 | 電流値(A) | |
| 確度:0.1% | 確度:0.2% | ||
| 60mV | TS16-□□□□ | TS26-□□□□ | 型式の□□□□部には電流値が入ります。 下記電流値の中から選択してください。 0.5 / 1 / 1.5 / 2 / 2.5 / 3 / 4 / 5 / 6 / 7 / 7.5 / 10 / 15 / 20 / 25 / 30 / 40 / 50 / 60 / 75 / 100 / 150 / 200 / 250 / 300 / 350 / 400 / 450 / 500 / 600 / 750 / 1000 / 1500 / 2000 / 2500 / 3000 / 4000 / 5000 / 6000 / 7000 / 7500 / 8000 / 9000 / 10000 |
| 100mV | TS11-□□□□ | TS21-□□□□ | |
【電圧降下:400mV品】
特殊な電圧降下品の対応も行っております。その製作例です。
| 電圧降下 | 図番 | 電流値 | 確度 |
|
| 400mV | TS-EI0112 | 400A | 0.2% | |
| この製品はFANによる強制空冷を行ってください。 | ||||
【電圧降下:500mV品】
同仕様(電圧降下・電流・確度)にて、インダクタンスを抑えた製品 と、サイズを優先した製品の製作実績があります。
コイル状のものは、サイズ的には小さくできますが、インダウタンスが大きくなります。
インダクタンスがあると、高周波において周波数特性が悪くなります。
【その他】
電圧降下:50mV/60mV/100mV以外、特殊な電流値(例:100√3A)などの製作も可能です。
①電圧降下、②電流値、③確度 をご指定下さい。
旧シリーズ製品については、
←こちらをクリックしご確認下さい。
使用上のご注意
1.取り付けは水平方向とし、マンガニン抵抗部、端子部に無理な力がかからない様ご配慮下さい。
2.使用最高電圧は、500V DC以内として下さい。
3.端子部から接続する母線は、放熱の為充分な大きさが必要です。
下表の大電流分流器の板銅線の大きさ、枚数を参考にして下さい。
4.連続使用する場合は、定格電流の80%以下として下さい。
マンガニン抵抗は、80℃を超えると抵抗値変化が大きくなる事があります。
下表の大電流分流器では、強制空冷等をお勧めします。
接続用の銅板は放熱の為十分な大きさが必要です。
以下は推奨値となります。
単位:mm
| 定格電流 | 板銅線(片側) 幅×厚さ×長さ×枚数 |
定格電流 | 板銅線(片側) 幅×厚さ×長さ×枚数 |
定格電流 | 板銅線(片側) 幅×厚さ×長さ×枚数 |
| 350A~500A | 50×6×1000×1 | 1,500A | 75×6×1000×2 | 5,000A | 150×6×1000×4 |
| 750A | 50×6×1000×1 | 2,000A | 100×6×1000×2 | 7,500A | 150×6×1000×6 |
| 1,000A | 75×6×1000×1 | 3,000A | 100×6×1000×3 | 10,000A | 150×6×1000×8 |
| 15,000A | 150×6×1000×12 |
【製品の保存・保管について】
(1)抵抗体部分は非鉄金属の為、錆びの心配はございませんが端子及びボルト部分が鉄の場合があります。
極端な湿気や水滴などは避けてください。
(2)保管条件に関しまして特に厳しい条件はございませんが常温(5℃~35℃)、常湿(45~85%)程度で保管
してください。
(3)落下など抵抗体に傷がつきますと値が大きくかわってしまいますので傷がつかないような保護を行ってください。
シャント校正
【校正について】
・校正範囲
5000A以下 (5000Aより大きく最大10000Aについては、弊社のメーカ校正参考値となります)
・校正書類
弊社で発行している校正書類については、
←こちらをクリックしご確認下さい。
また、 旧シリーズ製品や、他社分流器の校正も行っております。
【シャント校正設備】
標準器
| 電流(A) | 電圧降下(mV) | 確度(%) |
| 100 | 100 | 0.2 |
| 200 | 50 | 0.2 |
| 500 | 50 | 0.2 |
| 1000 | 50 | 0.2 |
| 3000 | 50 | 0.2 |
| 5000 | 100 | 0.1 |
| 10000 | 100 | 0.1 |
電源
| 機種名 | 出力電流 | 最大電圧 |
| EX-750L2 | 0~50A | 60V |
| PWR1600L | 0~100A | 80V |
| PRK10-1200 | 0~1200A | 10V |
| JP-120X | 1500~10000A | 60mV |
校正方法について
電流発生電源は電流の校正を取っていません。
校正された標準器で電流を測定し、
校正された電圧計で電圧降下を測定することで
電流値を算出しています。





















←投稿動画一覧
