逆V結線変圧器の製品仕様につきましては、
←こちらをクリックしご確認下さい。
逆V結線変圧器の1次側力率について
<結論> (1)各相ごとの力率 (電圧と電流の位相からcosφを求める) U相 :進み60° pf=0.5 V相 : 0° pf= 1 W相 :遅れ60° pf=0.5 (2)三相一括で考えると pf = 有効電力/皮相電力 =(Vu*In*0.5+Vv*2*In+Vw*In*0.5)/(Vu*In+Vv*2*In+Vw*In) = 3*Vu*In/4*Vu*In = 0.75
逆V結線変圧器のV相電流について
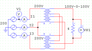
逆V結線変圧器のシミュレーションにより、V相に2倍の電流が流れることを確認する。
シミュレーション回路図
<条件>
一次側電源仕様:三相3線200V
二次側電源仕様:単相2線100V、電流値100A
<結果> I1=I3=28.9A,I2=57.7Aとなっており、 2倍の電流が流れていることが解る。
各部の波形
| Item | Value |
| I1 | 28.8655A |
| I2 | 57.731A |
| I3 | 28.8655A |
| V1 | 115.485V |
| VP1 | 99.9931V |
逆V結線変圧器の入力三相不平衡時の出力電圧
こちらの技術資料を参照ください。












←投稿動画一覧
