特徴の説明、実際の設計の紹介です(社内技術発表会資料)。
資料はPDFで作成しております。
閲覧する場合は下の画像をクリックしてください。
12相サイリスタ整流制御電源の入力波形
2021/2/11 技術部 辰野
↑図ー1 回路構成と電圧・電流モニタ箇所

2.入力電圧・波形
入力AC200V,出DC200V20A時、
サイリスタ位相制御をしているため
全体的に遅れはあるが高調波は減少している。
↑図-2 入力電圧・電流波形

3.12相整流の電流波形の合成
片側のみ負荷を取ると三相全波整流の
電流波形が観測できる。
上:回路Aのみ20A通電
下:回路Bのみ20A通電
↑図-3 三相全波整流波形
4. 結論
回路A,B両方共20A通電すると、図-3の二つの波形が合成され、図-2の電流波形となる。
(12相整流回路の力率改善効果が確認できた)
三相全波サイリスタ整流と12相サイリスタ整流の特性
1. 目的
電圧可変をDC190V~DC250Vの範囲で行う時、
三相全波整流と12相整流の制御角度、入力電源力率、電流波形を比較し整流方式の特徴を確認する
2. 三相全波整流
( 1 ) 回路図 サイリスタ整流前の入力は190V
( 2 ) シミュレーション結果
①制御角0度 出力電圧255V 入力力率94% ②制御角35度 出力電圧190V 入力力率68%
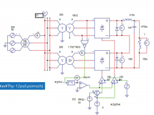
3. 12相整流回路
( 1 ) 回路図
( 2 ) シミュレーション結果
①制御角0度 出力電圧255V 入力力率98% ②制御角38度 出力電圧190V 入力力率72%
4. 結果
12相の時、250Vから190V(0.76倍)まで垂下させるには、制御角を38度となりました。
190Vの時、入力力率は三相全波整流で68%,12相整流で72%となります。
12相整流は高調波成分を補償するための回路で狭義の意味での力率(電圧・電流の位相差)は、
さほど改善していません。広義の力率(高調波成分を含む力率)は、僅かですが改善します。











←投稿動画一覧
