1.概要と特長
VT(計器用変圧器)の2次側に接続される負荷は電子化が進み低負担となり、
これら多くのお客様の要求を大別しますと
1) 従来品の電力測定等の用途で、階級が1.0級の製品。
2) 広範囲の入力電圧に対し、出力電圧は比例し直線性が得られる。
3) VTは昔から外形が大きく、重いので小型化する。
これら要望を集約し、下の製品をラインナップしました。
2.仕様1
計器用変圧器、一般計測用JIS C 1732-3を基本に定格負担を2VAとしました。
産業機器用の電力計測や電圧計メータ等の計測用に使用できます。
| 図番 | PT-CB0028 | PT-CB0029 |
| 定格負担 | 2VA (力率0.8) | |
| 1次電圧 | 440V | 220V |
| 2次電圧 | 110V | |
| 変圧比 | 4:1 | 2:1 |
| 周波数 | 50/60Hz | |
| 階級 | 1.0級 | |
| 耐電圧 | 1次-2次 1次アース間 3kV/分 | |
| 入出力接続方法 | 半田付け端子 | |
| 寸法W×D×H(mm) | 83×90×51 | |
| 外観 | ![]() ※オプションで端子台へ変更できます(M4ねじ端子) |
|
| 回路図 |
| |
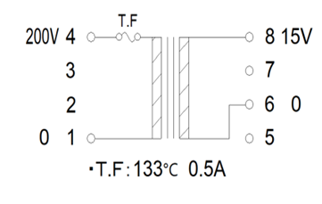
3.仕様2
1次電圧に対し2次側を安全電圧に低下させる共に
リニアな出力特性が必要な電圧検出等の電子制御回路に使用できます。
| 図番 | PT-CB0031 | PT-CB0032 | PT-CB0033 |
| 定格負担 | 0.6VA | ||
| 1次電圧 | 150V | 300V | 600V |
| 2次電圧 | 30V | 30V | 30V |
| 変圧比 | 5:1 | 10:1 | 20:1 |
| 周波数 | 50/60Hz | ||
| 比誤差 | 1.0% | ||
| 耐電圧 1次-2次 1次アース間 |
2.0kV/分 | 2.5kV/分 | |
| 入出力接続方法 | リード線 | ||
| 寸法W×D×H(mm) | 70×55×44 | ||
| 外観 | ![]() |
||
| 回路図 |
| ||
4.その他の製作実績一覧
5.代表入出力特性表
図番 PT-CB0021(定格入力電圧300V/出力30V)
6.温度上昇試験
代表製品図番 PT-CB0021(定格入力電圧300V/出力30V)
測定周波数 50Hz 負担抵抗 1.5kΩ
| 測定部位 / 入力電圧 | 定格300V | 過電圧500V | 過電圧600V | 備考 |
| 入力巻線温度(K) | 4.4 | 12.0 | 26.1 | 抵抗法 |
| 出力巻線温度(K) | 4.4 | 11.7 | 25.5 | 抵抗法 |
| 鉄心温度(K) | 3.5 | 9.8 | 20.6 | 温度計法 |
温度上昇結果:例えば、何らかの電源異常で2倍の過電圧が印加されたとしても、温度上昇は低く安全です。
また、入力電圧に対し出力電圧も比例しており、過電圧でも確実に検出ができます。























←投稿動画一覧
