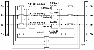
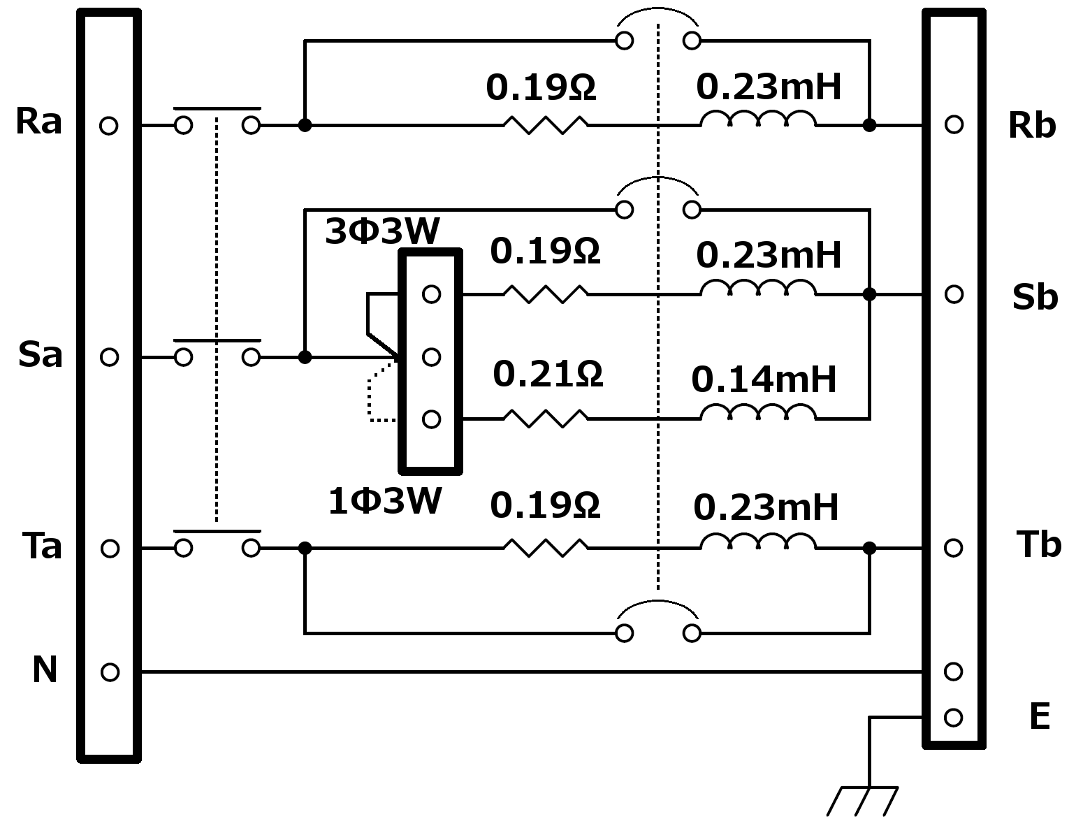
◆概要
線路インピーダンス装置は、小型分散発電システム用パワーコンディショナーの
JET「電気安全環境研究所」認証試験に対応した線路インピーダンスです。
◆特徴
・ 空芯リアクトルを採用していますので、インダクタンスが安定しています。
高調波40次(2.4kHz)までインピーダンス値を保証します。
・ 単相3線、三相3線の両相線に対応した機種もあります。
◆用途例
以下の試験項目で使用出来ます。
①定常特性試験
・交流電圧追従…パワーコンディショナー出力が系統の電圧変化に追従しているのを確認
・周波数追従…パワーコンディショナー出力が系統の周波数変化に追従しているのを確認
・運転力率…線路インピーダンスを接続してパワーコンディショナー出力の力率を測定
・出力高調波電流…線路インピーダンスを接続してパワーコンディショナー出力の高調波を測定
・電圧上昇抑制機能…系統電圧が標準電圧に対して規定値以内に維持されるか確認
②環境適合試験
・伝導障害…指定条件で、パワーコンディショナー出力の高調波成分(5kH~10kHz)を測定
③耐電気環境試験
・系統電圧歪耐量…電圧歪みを重畳して、パワーコンディショナー運転状態の安定確認と力率を測定
・系統電圧不平衝…単相3線、三相3線式で、不平衝状態時の定格出力・力率・総合電流歪み率の測定
◆製作例
















←投稿動画一覧
