◆概要
本装置は、入力定格DC360V-5kW(最大DC400V-6.17kW)に対する負荷を、
トグルスイッチで
段階的に抵抗値を設定できる直流抵抗負荷装置です。
◆用途
直流の比較的高い電圧の負荷ですのでバッテリーや電池、充電器や
太陽電池、コンバータなどの負荷試験に最適です。
◆特徴
直流(DC)の製品です。
冷却方式は強制空冷ですので、小型です。
◆仕様
| 一般仕様 | |
| 名称 | 直流抵抗負荷装置 |
| 図番 | TS-EE0212 |
| 外観寸法 | W400×D582×H936(mm)(突起部は含まない) |
| 質量 | 約80kg |
| 絶縁抵抗 | 負荷端子-筐体間:DC500V 10MΩ以上 |
| 耐電圧 | 負荷端子-筐体間:AC2kV/1分 |
| 使用環境 | 設置場所:屋内 |
| 冷却方式 | 強制空冷 |
| 電気的仕様 | |
| 相線式 | 単相2線式 |
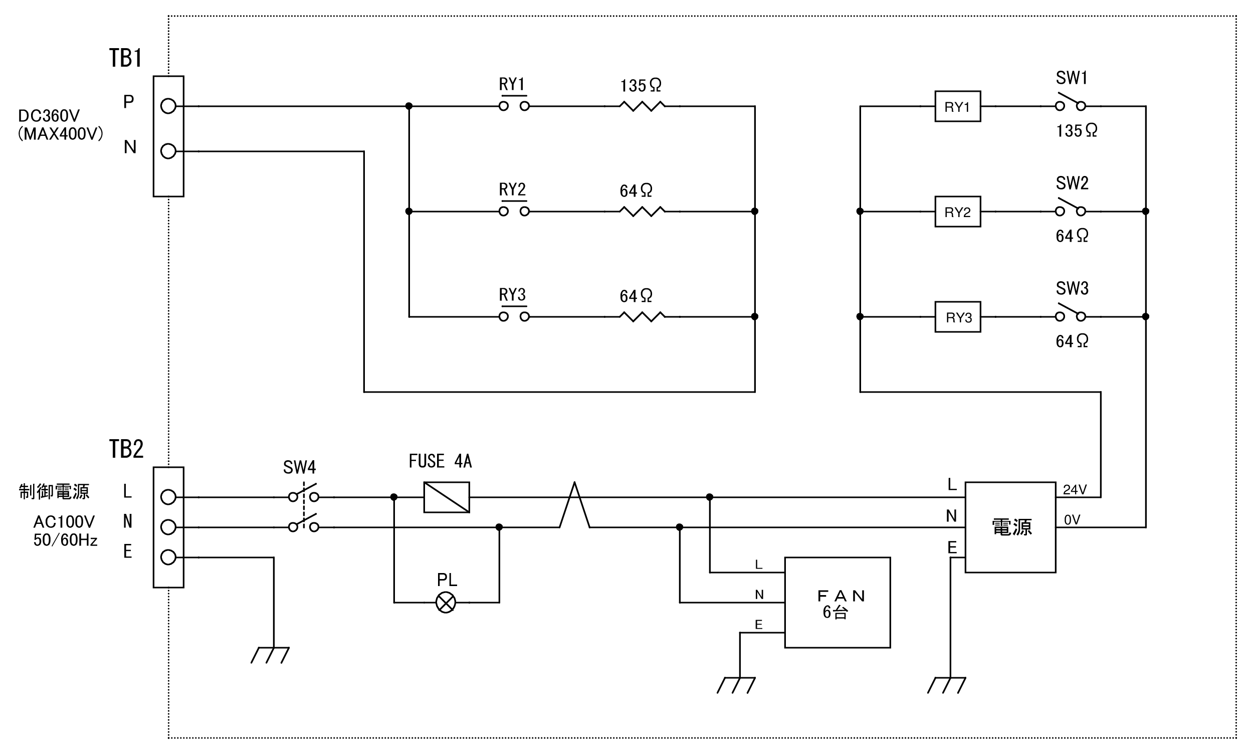
| 入力電圧/電流 | 定格DC360V,13.88A(25.9Ω) 5kW 最大DC400V,15.44A (25.9Ω) 6.17kW |
| 負荷 | 以下のスイッチに対応し負荷が接続されます。6通りの設定が可能です。 SW1:135Ω SW2:64Ω SW3:64Ω |
| 抵抗誤差 | ±10% |
| 制御電源 | AC100V(50/60Hz)2A(端子台M3.5) |
◆回路図









←投稿動画一覧
